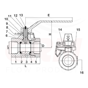
GRM Flow Products carries all manner of ball valves to suit your needs. Designed with safety and function in mind, our ball valves are outfitted with features such as blowout prevention systems and locking pins.

| # | Description | Material |
|---|---|---|
| 1 | Body | ASTM A105 |
| 2 | Seat | Delrin |
| 3 | Ball | 304 SS |
| 4 | Seal O-Ring | Viton |
| 5 | Cap | ASTM A105 |
| 6 | Thrust Bearing | PTFE |
| 7 | Stem O-Ring | Viton |
| 8 | Thrust Bearing | PTFE |
| 9 | Stop Plate | Steel |
| 10 | Retainer Ring | Steel |
| 11 | Handle | Ductile Iron |
| 12 | Stem | A276 420 |
| 13 | Grease Zerk | Copper |
| 14 | Bolt | Carbon Steel |
| 15 | Stop Pin | Steel |
| 16 | Nameplates | Aluminum |

| SIZE | PRESSURE | D | H | E | L | WGT. (LBS) |
|---|---|---|---|---|---|---|
| 3" | 3,000 | 2.99" | 7.24" | 14.96" | 8.74" | 52.8 |
| SIZE | MATERIAL | PART# | PORT |
|---|---|---|---|
| 3" | ASTM A105 | VBLV5303 | FULL |